€ 18,79
incl. BTWfischer Gipsplaatplug DuoBlade S met schroef
Levertijd: 2-3 weken.
Fabrikanten en informatie
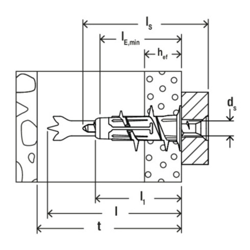
- De fischer DuoBlade is het jongste lid van de innovatieve DuoLine.
- Hij bestaat uit verschillende onderdelen, die samen de best mogelijke prestaties in gipsplaat mogelijk maken.
- De zelf borende punt zorgt voor een eenvoudige en snelle montage.
- De plug wordt in de gipsplaat geschroefd met een (accu) schroefmachine waarbij de plug vlak tegen het oppervlak van de gipsplaat wordt gemonteerd.
- De fischer DuoBlade is geschikt voor spaanplaatschroeven van 4 tot 5 mm dikte en voor verschillende haken en oogschroeven.
- Daardoor is hij universeel geschikt voor een veilige en snelle bevestiging van bijv. rookmelders, gordijnroedes en rolluiken.









